首页 |  登录 |  注册 |  我要留言 |  收藏 |  地图 | 

   热门标签:

   产品目录
   技术文档
   相关标签
当前位置: >> 首页 >> 公司产品 >> 丝杆升降机系列

SWL丝杆升降机

SWL丝杆升降机,SWL螺旋升降机
摘要:
SWL蜗轮丝杆升降机可广泛用于机械、冶金、建筑、化工、医疗、文化卫生等各个行业。能按一定程序准确地控制调整提升或推进的高度,可以用电动机或其它动力直接带动,也可以手动。
我要询盘
丝杆升降机,SWL系列蜗轮丝杠升降机是一种基础起重部件,符合JB/T8809—1998(原JB/ZQ4391—86)标准。承载能力2.5—120T。具有结构紧凑、体积小、重量轻、动力源广泛、噪音小、安装方便、使用灵活、功能多、配套形式多、可靠性高、使用寿命长等优点。
用途:
该产品可广泛用于机械、冶金、建筑、化工、医疗、文化卫生等各个行业。能按一定程序准确地控制调整提升或推进的高度,可以用电动机或其它动力直接带动,也可以手动。最高输入转速1500r/min,最大提升速度2.7m/min。有不同的结构型式和装配方式,提升高度按用户的要求制造。该装置可以自锁
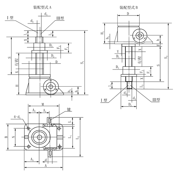
1、结构型式
升降机按结构型式分为:1型-丝杠同时作旋转运动和轴向移动;2型-丝杠作旋转运动。丝杠上的螺母作轴向移动。
2、装配型式
丝杆升降机每种结构型式又分为两种装配型式:A型-丝杠(或螺母)向上移动;B型-丝杠(或螺母)向下移动。3、丝杠头部型式   1型结构型式的丝杠
头部分为:
I(圆柱型)、II(法兰型)、III(螺纹型)、IV(扁头型)四种型式。2型结构型式的丝杠头部分为:I(圆柱型)和III(螺纹型)两种形式。4、传动比 升降机分为两种传动比,即普通(P)和慢速(M)。5、丝杠的防护。1型升降机丝杠的防护分为:基本型、防旋转型(F)和带防护罩型(Z);2型升降机丝杠的防护分为:基本型和带防护罩型(Z)。 
 

 

型号
SWL2.5
SWL5
SWL 10/15
SWL20
SWL25
SWL35
SWL50
SWL100
SWL120
丝杆升降机最大起升力,KN
25
50
100/150
200
250
350
500
1000
1200
丝杆升降机最大拉力,KN
25
50
99
166
250
350
500
1000
1200
丝杆升降机丝杠螺纹尺寸
Tr30×6
Tr40×7
Tr58×12
Tr65×12
Tr90×16
Tr100×18
Tr120×20
Tr160×23
Tr180×25
蜗轮蜗杆传动比(P)
普通6:1
6:1
72/3:1
8:1
102/3:1
102/3:1
11:1
12:1
12:1
蜗杆每转行程,mm
1.0
1.17
1.56
1.5
1.5
1.5
1.818
1.916
2.083
蜗轮蜗杆传动比(M)
24:1
24:1
24:1
24:1
32:1
32:1
32:1
36:1
36:1
蜗杆每转行程,mm
0.250
0.292
0.5
0.5
0.5
0.5
0.625
0.638
0.694
蜗杆传动比(P)
6:1
6:1
72/3:1
8:1
102/3:1
102/3:1
11:1
12:1
12:1
丝杆升降机满负荷蜗杆扭距N•m
18.6
39.5
119/179
240
366
600
970
2323
3316
蜗轮蜗杆传动比(M)
24:1
24:1
24:1
24:1
32:1
32:1
32:1
36:1
36:1
满负荷蜗杆扭距N•m
8.86
19.8
60/90
122
217
340
425
997
1658
丝杆升降机丝杆最大轴伸长度
1500
2000
2500
3000
3500
4000
5500
6500
7000
丝杆升降机最大许用功率/kW
0.55
1.1
2.6
3.7
4.8
6.0
7.5
15
17.5
普通比(P)总效率%
23
21
23
21
19
18
15
13
12
慢速比(M)总效率%
14
12
15
13
11
11
11
10
8
润滑油量,kg
0.1
0.25
0.5
0.75
1.1
1.9
2
2.5
2.5
不加行程的重量,kg
7.3
16.2
25
36
70.5
87
420
1010
1350
丝杆每100mm的 重量
0.45
0.82
1.67
2.15
4.15
5.20
7.45
13.6
17.3
丝杆升降机润滑剂
合成钙钠基润滑脂ZGN-1或ZGN-2(温度范围-20℃-100℃)


 

型号
SWL 2.5
SWL 5
SWL 10
SWL 15
SWL 20
SWL 25
SWL35
SWL50
SWL100
SWL120
S1
行程+20
行程+20
行程+20
行程+20
行程+20
行程+20
行程+20
行程+20
行程+20
S2
行程+110
行程+110
行程+150
行程+190
行程+205
行程+250
行程+285
行程+350
行程+400
S3
150.5
193
230
262
317
350
416
550
570
A
165
212
235
295
350
430
475
526
526
B
120
155
200
215
260
280
500
622
622
M
135
168
190
240
280
360
385
412
412
N
90
114
155
160
190
210
406
508
508
H
97
130
150
176
217
240
280
360
360
h
45
61.5
70
87
102
115
121
155
155
h1
12
18
16
20
25
30
32
38
42
d(k6)
16
20
25
28
32
38
38
45
48
d1
14
17
21
28
35
35
45
48
48
键GB11096
5×5×32
6×6×45
8×7×45
8×7×45
10×8×50
10×8×70
10×8×90
14×9×100
14×9×100
L
42
42
58
80
105
100
190
L1
110.5
132
172
213.5
221
265
310
380
380
L2
190
228
280
322
355
430
558
610
610
D
48
65
80
100
130
150
170
240
240
D1
98
122
150
185
205
260
300
420
420
D2
70
90
100
120
150
180
220
310
310
D3
45
60
76
83
114
121
145
180
220
D4
98
110
130
170
200
210
260
370
370
D5
60
70
95
108
133
139
170
215
260
A1
45.2
56.2
66.8
72.5
97
120
135
190
190
A2
50
58
63.5
95
95
135
80
146
146
A3
65
80
86
122.5
130
170
125
203
203
b1
20
25
17
35
30
35
45
60
60
b2
20
18
18
31
40
40
50
65
65
F
8.5
12
6.5
6
8
10
16
40
40
丝杠头部型式
d2
20
25
40
50
70
80
95
130
150
I1
30
40
50
60
63
80
90
120
140
I2
45
51
73.5
80
92
100
120
150
170
D7
98
122
150
185
205
260
300
370
400
D8
75
85
105
140
155
200
225
280
310
D9
40
50
65
90
100
130
150
200
230
d3
14
17
21
26
27
33
39
48
48
F1
12
18
20
20
25
30
35
75
80
F2
30
40
50
60
63
80
90
120
140
F3
45
51
73.5
80
92
100
120
150
170
d4
M22×1.5-6g
M30×2-6g
M42×2-6g
M48×2-6g
M70×3-6g
M80×3-6g
M95×3-6g
M130×4-6g
M150×4-6g
I3
30
39
50
60
63
80
90
120
140
I4
45
51
73.5
80
92
100
120
150
170
d5
50
65
90
110
130
150
180
220
260
d6
25
35
50
60
70
80
80
90
95
b3
30
42
60
75
90
105
120
160
180
I5
25
37.5
50
60
70
80
80
90
100
I6
50
75
100
120
140
160
160
180
200
I7
85
117
153.5
170
204
240
270
330
360
I8
70
105
130
150
175
220
240
300
335

2型结构尺寸

型号
SWL2.5
SWL5
SWL10
SWL15
SWL 20
SWL 25
SWL 35
SWL50
SWL100
SWL120
S
行程+85
行程+100
行程+125
行程+150
行程+170
行程+205
行程+250
行程+320
行程+330
S1
行程+215
行程+270
行程+335
行程+404
行程+476
行程+535
行程+603
行程+815
行程+845
S2
行程+238.5
行程+300
行程+359
行程+430
行程+513
行程+580
行程+685
行程+880
行程+910
A
165
212
235
295
350
430
475
526
526
B
120
155
200
215
260
280
500
622
622
M
135
168
190
240
280
360
385
412
412
N
90
114
155
160
190
210
406
508
508
H
100
131
160
194
226
250
290
375
375
H1
97
131
150
181
211
250
280
360
360
h
45
61.5
70
87
102
115
121
155
155
h1
12
14
16
20
25
30
32
38
42
d(k6)
16
20
25
28
32
38
38
45
48
d1
14
17
21
28
35
35
45
48
48
键GB1096
5×5×32
6×6×32
8×7×45
8×7×45
10×8×50
10×8×70
10×8×90
14×9×100
14×9×100
L
42
42
58
80
105
100
100
L1
110.5
132
172
213.5
221
265
310
380
380
L2
190
228
280
322
355
430
558
610
610
D
98
122
150
185
205
260
300
420
420
D1
68
83
110
140
160
180
200
260
260
A1
45.2
56.2
66.8
72.5
97
120
135
190
190
A2
50
58
63.5
95
95
135
80
146
146
A3
65
80
86
122.5
130
170
125
203
203
F
26.5
30
34
39
52
45
65
80
80
安全裕度X
20
20
25
25
25
30
40
50
50
Y
3
3
1
3
3
4
5
6
6
活动螺母
D2
80
87
110
120
155
190
220
300
330
D3(K6)
50
70
90
90
130
150
180
240
260
F1
45
60
75
100
120
145
170
220
270
F2
15
18
25
30
35
35
50
70
80
丝杠头部型式
d2(k6)
20
25
40
50
70
80
95
130
150
I1
30
40
50
60
80
80
90
120
140
d4
M22×1.5-6g
M30×2-6g
M42×2-6g
M48×2-6g
M70×3-6g
M80×3-6g
M95×3-6g
M130×4-6g
M150×4-6g
I3
 
39
50
60
63
80
90
120
140

浏览关于 SWL丝杆升降机 | SWL螺旋升降机  相关的内容
上一页:无
下一页:无
 企业简介 | 企业文化 | 销售网络 | 售后承诺 | 生产设备 |
友情链接:吊索具 |UV打印机 |撕碎机 |
地址: 邮编:253000 电话:0534-2418881 传真:0534-2428882
Copyright德州德迈传动机械有限公司 all Rights Reserved 鲁ICP备12030419号

鲁公网安备 37149202000415号